Contact Us
浙江元利自控阀门科技有限公司
咨询电话:0577-67186769
图文传真:0577-67186769
手机:18969709793
联系人:马经理
E-mail:275475469@qq.com
地 址:浙江省温州市永嘉县瓯北码道工业区.

详细介绍

TD41W手柄操作通风蝶阀采用钢板焊接制造,具有结构尺寸短,重量轻,安装方便等特点。TD41W手柄操作通风蝶阀驱动力矩小,启闭灵活,操作方便。阀体上设置有密封挡圈,密封副之间无可见间隙,泄漏率小。蝶板与阀体间的膨胀间隙大,能有效防止因热胀冷缩造成的卡死现象。上海一环生产的TD41W手柄操作通风蝶阀可配备多种驱动装置,如手动装置,涡轮传动装置,起动装置,电动装置。通风蝶阀广泛用于冶金、石化、电力、建材、矿山等工业管线,对介质气体起控制或调节作用。
城建、化工、冶金、石油、制药、食品、饮料、环保
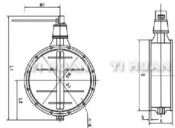
TD41W通风蝶阀结构图
通风蝶阀主要技术参数
| 公称压力 | 0.05MPa | 介质温度 | -30℃~350℃ |
| 强度试验 | 0.1MPa | 适用介质 | 冷热风,烟气 |
| 介质流速 | 25m/s | 泄漏率 | 3% |
通风蝶阀主要零件材料
| 零件名称 | 阀体 | 蝶板 | 阀油 |
| 材料 | 炭钢 | 炭钢 | 炭钢、不锈钢 |
TD41W手柄操作通风蝶阀主要外形连接尺寸
| DN | D | D1 | L | L1 | n-Фd | b | H1 |
| 150 | 240 | 210 | 100 | 377 | 8-12 | 8 | 250 |
| 200 | 290 | 260 | 100 | 426 | 8-12 | 8 | 250 |
| 250 | 345 | 310 | 120 | 485 | 8-12 | 10 | 350 |
| 300 | 405 | 370 | 120 | 539 | 8-14 | 10 | 350 |
| 350 | 455 | 420 | 140 | 539 | 12-18 | 10 | 350 |
| 400 | 505 | 470 | 140 | 652 | 12-18 | 10 | 450 |
| 450 | 570 | 530 | 160 | 781 | 16-18 | 10 | 450 |
| 500 | 620 | 580 | 160 | 835 | 16-18 | 10 | 450 |
| 600 | 720 | 680 | 180 | 946 | 16-18 | 12 | 550 |
| 700 | 820 | 780 | 180 | 1044 | 16-18 | 12 | 550 |
| 800 | 920 | 880 | 200 | 1159 | 16-18 | 12 | 550 |